+86-025-56226999
网站首页 关于我们
产品中心
成功案例
资讯中心
公司实力
公司画册
联系我们
英文版

HVP-30-FA4

当前位置:蒙福液压官网 > 产品中心 >

HVP-30-FA4

订购:HVP-30-FA4

  • 产品特点
  • 型号说明
  • 性能参数
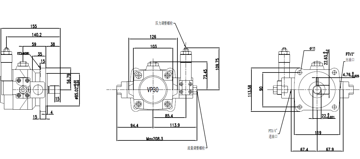
  • 产品尺寸
本系列泵浦,操作时噪音小,运转顺滑,耐磨耗,适用于工作母机及专用机使用。
温升小,马力损失小,内藏式自动压力补偿设计。

上一篇:上一篇:DSG-02-3C2-DL-D24

下一篇:下一篇:MBR-02P

返回列表